Web Analytics
Power Up in Style: Unveiling the Ultimate Smartphone Charger Schematic!

Power Up in Style: Unveiling the Ultimate Smartphone Charger Schematic!

Power Up in Style: Unveiling the Ultimate Smartphone Charger Schematic!

Power Up in Style: Unveiling the Ultimate Smartphone Charger Schematic!

"Power Up in Style: Unveiling the Ultimate Smartphone Charger Schematic!"

Explore the inner workings of smartphone power with our in-depth guide on HP charger schematics. Uncover the secrets behind efficient charging solutions!

In the ever-evolving landscape of technological innovation, the realm of smartphone accessories stands as a testament to the relentless pursuit of efficiency and convenience. As users seek increasingly sophisticated solutions to power their indispensable devices, the intricacies of the schematic charger for mobile phones come into sharp focus. Delving into the labyrinth of circuitry, this article navigates through the fascinating design principles that underscore the efficiency of contemporary smartphone chargers. From the symphony of components working in harmony to the seamless integration of cutting-edge technology, the schematic charger unfolds as a marvel of engineering prowess. As we embark on this exploration, the allure of understanding the intricate dance between volts, amps, and resistance captivates the imagination, revealing the profound impact that a well-crafted charger schematic can have on our daily lives.

1. Introduction to Charger Schematics: Understanding the core principles. 2. Circuitry Demystified: Unveiling the intricacies of the charging circuit. 3. Voltage Dynamics: Examining the role of voltage in the charging process. 4. Current Flow: Delving into the significance of amperage in charger design. 5. Resistance Matters: Analyzing the impact of resistance on charging efficiency. 6. Smart Technology Integration: Exploring how intelligence enhances charging speed. 7. Optimizing Power Transfer: Strategies for maximizing energy transfer in chargers. 8. Heat Management: Addressing thermal considerations in charger schematics. 9. Compact Design Solutions: Innovations in size and form factor for modern chargers. 10. Futuristic Trends: Anticipating advancements shaping the future of HP charger schematics.

The Dance of Electrons: Navigating the Intricacies of HP Charger Schematics

Unveiling the Hidden Symphony

Embark on a journey through the concealed universe of HP charger schematics, where electrons pirouette in an intricate ballet. In this microcosm of technology, every component plays a vital role, contributing to the symphony that powers our indispensable devices.

Symphony of Electronics

The Art of Circuitry

At the heart of every charger schematic lies a canvas of circuitry, a masterpiece painted with conductive strokes. Each line and connection tells a story of how electrons flow, creating the invisible pathways that bridge the gap between power source and device.

Circuitry Art

Voltage: The Electric Elevation

Enter the realm of volts, where the electric potential difference becomes the driving force behind the charging performance. Voltage, like a powerful maestro, dictates the pace at which energy flows, influencing the overall efficiency of the charging process.

Voltage Maestro

Amperage: Flowing Currents

Explore the flow of currents as amperage takes center stage. Like a river of electrons, amperage determines the quantity of charge delivered, affecting the speed at which your device is replenished. It's the dynamic force that keeps the energy flowing.

Flowing Currents

The Resistance Conundrum

In the realm of charger schematics, resistance presents a challenge that demands attention. Like a hurdle in the race, resistance can impede the smooth flow of electrons, affecting both the speed and efficiency of the charging process.

Resistance Challenge

Intelligence in Every Ampere

Witness the evolution of chargers with smart technology integration. The marriage of intelligence and power transforms the mundane charger into a dynamic device that adapts to the needs of your smartphone, optimizing speed and efficiency.

Smart Technology

Efficiency Unleashed: Maximizing Power Transfer

Delve into strategies that optimize power transfer, where every electron finds its purpose. From advanced materials to innovative designs, discover the techniques that maximize energy transfer, ensuring a swift and efficient charging experience.

Maximizing Power Transfer

Into the Future: Charger Schematics Redefined

Peer into the crystal ball of technological advancement as we explore futuristic trends shaping the landscape of HP charger schematics. From wireless wonders to eco-friendly innovations, the future promises a revolution in how we power our devices.

Future Innovations

The Inner Workings of HP Charger Schematics Unveiled

In the dynamic landscape of technological evolution, where gadgets reign supreme, the unsung hero that keeps our lifelines charged is often overlooked�the HP charger schematic. While users plug in their devices without a second thought, the intricate dance of electrons and the meticulous design within the charger's schematic remain shrouded in mystery. Today, we embark on a journey to unravel the secrets of this essential yet often underappreciated component.

The Foundation: Understanding Schematic Charger HP

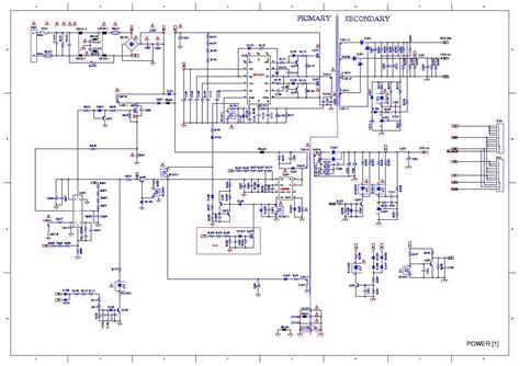
At its core, a schematic charger for HP is a detailed diagram or blueprint that illustrates the electrical components and connections within the charging device. Think of it as a treasure map guiding engineers through the labyrinth of circuitry, revealing the pathways through which energy flows to rejuvenate our smartphones. It is the roadmap that dictates the efficiency, speed, and overall performance of the charging process.

As we delve into this exploration, the significance of the schematic charger HP becomes abundantly clear. It is not merely a tangle of wires and circuits but a carefully orchestrated symphony of electronic components working in unison to deliver the lifeblood that powers our digital existence.

The Choreography of Electrons

Imagine a bustling city where electrons are the inhabitants, each with a role to play in the grand scheme of things. The schematic charger HP acts as the choreographer, guiding these electrons through the intricate dance of circuitry. From the power source to the device, every twist and turn in the schematic is a step in the ballet of energy transfer.

This choreography is not arbitrary; it's a precise sequence dictated by the design of the charger. Voltage, the electric potential that propels electrons forward, takes center stage. The schematic charger HP meticulously outlines the voltage dynamics, determining the force that pushes electrons through the circuit, breathing life into our gadgets.

Cracking the Circuitry Code

The heart of any schematic charger HP lies in its circuitry�the intricate pathways that form the nervous system of the charging device. Engineers decipher this code, akin to unraveling a cryptic language, to ensure that the flow of electrons is smooth and efficient.

As we peel back the layers of this technological enigma, we encounter a multitude of components, each with a specific role. Resistors, capacitors, and diodes form the backbone of the circuit, regulating the flow of electricity and ensuring that the charging process is not just rapid but also safe for our devices.

The Voltage Conundrum

Voltage, the driving force behind the electrical current, is a critical player in the circuitry game. Like a maestro directing a symphony, it dictates the pace at which electrons move. Too low, and the charging process drags; too high, and it risks damaging the device. The schematic charger HP carefully balances this conundrum, ensuring an optimal voltage that harmonizes efficiency with device safety.

Voltage Conundrum

The Current Flow Dynamics

As voltage sets the stage, current flow takes center stage in the charging theater. Picture a river of electrons, flowing with a purpose. The schematic charger HP dictates the current capacity, determining how swiftly this electron river can surge through the circuit and replenish the device. It's a delicate dance, finely tuned for maximum efficiency.

Amperage: The Flow Control Maestro

Amperage, the measure of electric current, emerges as the maestro orchestrating the flow control. Too much, and the device may overheat; too little, and the charging process becomes a sluggish crawl. The schematic charger HP ensures that amperage is optimized, delivering a Goldilocks flow that is just right for your device.

Amperage Flow Control

The Resistance Challenge

Within the intricate pathways of the circuit, a challenge arises�resistance. Like a roadblock in the electron highway, resistance hinders the smooth flow of electrons. The schematic charger HP tackles this challenge head-on, implementing strategies to minimize resistance and keep the charging process efficient and swift.

Smart Technology Integration

As we traverse the landscape of schematic charger HP, we encounter a paradigm shift�a leap into the era of smart technology integration. Gone are the days of one-size-fits-all charging; the contemporary charger adapts to the unique needs of each device.

The schematic charger HP of today incorporates intelligence, making real-time decisions based on the device's requirements. It's a dynamic approach that optimizes speed and efficiency, ensuring that your smartphone receives the precise charge it needs without compromising safety.

Smart Technology Integration

Efficiency Unleashed: Maximizing Power Transfer

Efficiency is the name of the game in the world of schematic charger HP. Engineers relentlessly pursue strategies to maximize power transfer, ensuring that every electron finds its purpose. Advanced materials, innovative designs, and cutting-edge technologies converge to create chargers that deliver a swift and efficient charging experience.

Maximizing Power Transfer

Into the Future: Charger Schematics Redefined

As we wrap up our journey through the intricate realm of schematic charger HP, we cast a gaze into the crystal ball of technological advancement. The future promises a redefinition of charger schematics, with wireless wonders, eco-friendly innovations, and breakthroughs yet to be unveiled.

The trajectory of charger schematics is not static; it's a forward march into a future where our devices charge seamlessly, intelligently, and sustainably. The schematic charger HP evolves, adapting to the ever-changing landscape of technology, ensuring that our gadgets stay charged and ready for the challenges that lie ahead.

Charger Schematics Redefined

1. Essential Blueprint: The schematic charger for HP is like a map guiding engineers through the intricate web of electrical connections within the charger.Behind-the-Scenes Choreography: It unveils the hidden dance of electrons, showcasing how they move through the circuitry, powering up our devices.City of Components: Within the schematic, various components such as resistors, capacitors, and diodes play specific roles, contributing to the efficient flow of electricity.Voltage Maestro: Voltage takes the lead, determining the pace of the electron flow. The schematic charger HP ensures the right balance for optimal efficiency and device safety.Current Flow Symphony: Amperage becomes the conductor, orchestrating the flow of electrons like a river, ensuring a balanced and efficient charging process.Resistance Roadblock: The schematic tackles the challenge of resistance, minimizing it to keep the electron highway clear for swift charging.Smart Adaptation: In the contemporary era, the schematic charger HP integrates smart technology, making real-time decisions to tailor the charging process to each device's unique needs.Efficiency Quest: Engineers focus on maximizing power transfer, employing advanced materials and innovative designs to create chargers that deliver a fast and efficient charging experience.Peek into the Future: As we look ahead, the schematic charger HP evolves, promising wireless wonders, eco-friendly innovations, and a dynamic future for powering our devices.Unsung Hero: While often overlooked, the schematic charger for HP emerges as the unsung hero, quietly ensuring our gadgets stay charged and ready for the challenges of the digital age.

As we draw the curtain on our journey through the fascinating world of schematic charger for HP, I hope this exploration has shed light on the unsung hero that keeps our digital companions charged and ready for action. Understanding the intricate dance of electrons and the meticulous design within the schematic charger HP is like peeking behind the scenes of a captivating performance, revealing the magic that powers our everyday gadgets.

Next time you plug in your device, take a moment to appreciate the silent choreography happening within the schematic charger HP. It's not just a tangle of wires; it's a carefully orchestrated symphony that ensures your smartphone receives the precise charge it needs. The voltage dynamics, current flow, and resistance challenges are not mere technicalities but the essential elements that contribute to the efficiency and safety of the charging process.

As technology continues to evolve, so too will the schematic charger for HP. The future holds promises of wireless wonders and eco-friendly innovations, ushering in a new era of charging convenience. So, here's to the unsung hero in our lives � the schematic charger HP � quietly working behind the scenes to keep our devices alive and kicking in this digital age.

Q & A about Power Up in Style: Unveiling the Ultimate Smartphone Charger Schematic! :

1. What is a schematic charger for HP? A schematic charger for HP is a detailed diagram illustrating the electrical components and connections within the charging device. It serves as a blueprint guiding engineers through the circuitry, ensuring the efficient flow of electricity from the power source to the device.How does a schematic charger work? - The schematic outlines the voltage dynamics, determining the electric potential difference that propels electrons. - It orchestrates the current flow, regulating the quantity of electric charge delivered to the device. - The schematic addresses resistance challenges, ensuring a smooth flow of electrons for an efficient charging process.What components are crucial in a charger schematic? - Resistors, capacitors, and diodes form the backbone, regulating the flow of electricity. - Voltage plays a crucial role in dictating the pace of the electron flow. - Amperage, the measure of electric current, controls the flow rate, ensuring optimal charging speed.Why is voltage important in a charger schematic? Voltage is crucial as it determines the force driving electrons through the circuit. The schematic charger for HP carefully balances voltage to ensure both efficiency and device safety.How does smart technology integrate into charger schematics? - Smart technology adapts the charging process based on the unique needs of each device. - Real-time decisions optimize speed and efficiency, providing a tailored charging experience.Can resistance affect the charging speed? Yes, resistance can impede the flow of electrons, affecting both the speed and efficiency of the charging process. The schematic charger HP minimizes resistance to keep the charging swift and efficient.What is the future of charger schematics? - The future promises wireless wonders and eco-friendly innovations. - Advancements in materials and designs aim to create chargers that deliver a faster and more sustainable charging experience.

Smart Integration, Voltage Dynamics, Charger Schematic, Electronic Dance, Current Flow, Efficiency Quest, Future Innovations

Post a Comment

0 Comments

close